干油润滑部分
单线式集中润滑系统介绍
双线式集中润滑系统介绍
电动润滑泵
电动润滑泵
干油润滑系统介绍
TB-Ⅰ、Ⅱ电动润滑泵
DRB-P电动润滑泵
ZPU型电动润滑泵
双列式电动润滑脂泵
DB-N单线润滑泵
DDRB-N型多点润滑泵
CDQ型电动润滑泵装置
DRB-L系列电动润滑泵
DDB系列多点干油泵
DB、DBZ型单线干油泵
手提式电动润滑泵
手(脚)动润滑泵
手(脚)动润滑泵
SRB手动润滑泵
SRB-J/L手动润滑泵
SGZ-8型手动润滑泵
SGZ-4/8F型手动润滑泵
KMPS单线手动润滑泵
JRB2-X3型脚踏润滑泵
加油泵
加油泵
DJB-F200电动加油泵
DJB-V70型电动加油泵
DJB-H1.6型电动加油泵
DJB-V400型电动加油泵
KGP型电动加油泵
SJB-V25型手动加油泵
SJB-D60型手动加油泵
DJB-F50型电动加油泵
气动泵
7786型气动润滑泵
AP-840B型气动补脂泵
双线分配器
双线分配器
SSPQ-P双线分配器
SDPQ-L双线分配器
VSKV-KR双线分配器
VSKH-KR双线分配器
SSPQ双线分配器
VSL-KR双线分配器
VSG-KR双线分配器
KS系列双线分配器
KW系列双线分配器
VS系列双线分配器
VW系列双线分配器
SGQ系列双线给油器
单线分配器
单线分配器
SSV单线递进式分配器
KJ单线递进式分配器
JPQS型递进式分配器
JPQ-K递进式分配器
JPQ递进式分配器
JPQ-L单进式分配器
FP、FPX单线分配器
PSQ型片式给油器
SMX*-YQ型分配器
MSP*型单线分配器
SMX*型单线分配器
压力操纵、控制、换向阀及其附件
压力操纵、控制、换向阀
YCK-P5型压差开关
YKQ型压力指示器
YKQ-SB型终端式压力控制器
YKF-L型压力控制阀
YZF-L4型压力操纵阀
YZF-J4型压力操纵阀
24EJF-P型二位四通换向阀
EM型电动换向阀
DR4-5型液压自动换向阀
ZYP型二位四通液压换向阀
YHF型液压换向阀
DF型电磁换向阀
GGQ-P系列干油过滤器
GPF-8型干油喷射控制阀
GJQ型干油压力表减震器
GPZ-135型干油喷射阀
PF-200型干油喷射阀
AF-K10型安全阀
分配器罩
支架
稀油润滑部分
稀油集中润滑系统设计介绍
稀油润滑装置及稀油站
XHZ型稀油润滑装置
XYHZ型稀油润滑装置
XYZ-G型稀油站
XYZ-GZ型整体式稀油站
高(低)压稀油站
GXYZ型A系列
GXYZ型B系列
GDR型双高压系列
稀油润滑元件
WBZ型卧式齿轮油泵装置
LBZ型立式齿轮泵装置
SPL、DPL型网片式油滤器
SLQ型双筒网式过滤器
SWCQ型双筒网式磁芯过滤器
CLQ型磁过滤器
Y型系列过滤器
列管式冷却器
LQ系列列管式冷却器
LC系列列管式冷却器
SGLL型双联油冷却器
FL型空气冷却器
KL型空气冷却器
YZQ型油流指示器
YXQ型油流发讯器
GZQ型给油指示器
AF型安全阀
DXF型单向阀
管件部分
焊接式管接头
焊接式端直通圆锥管螺纹管接头
卡套式端直通管接头
卡套式直通管接头
卡套式端对接直通管接头
卡套式对接直通管接头
卡套式锥螺纹直通管接头
卡套式锥螺纹对接直通管接头
锥密封焊接式铰接管接头
锥密封焊接式管接头
扩口式端直通管接头
扩口式锥螺纹直通管接头
锥密封焊接式压力表管接头
铜管用管接头
钢管用螺纹连接接头
钢管用插入焊接式接头
焊接式接头
带阀接头
旋转接头
活接头
双向接头体
锥密封钢丝
其它管接件
高压胶管总成
A、B、C型扣压式胶管接头
A型可拆式胶管接头
管夹和管托架
塑料管夹
HZJ系列管夹
ZGJ系列座式管夹
油气润滑部分
油气润滑系统设计介绍
油气润滑系统的形式
单线二分式油气润滑系统
单线混分式油气润滑系统
单线—多区式油气润滑系统
单线卸压式油气润滑系统
双线式油气润滑系统
双线—递进式油气润滑系统
油气润滑系统产品
单线油—气供应站
TCYQE-*-*-H型油气供应站
TCYQZ-*-*-D型油气供应站
双线油—气供应站
单线卸压式油—气供应站
SMX*-YQ型油—气分配混合器
QHQ-J型油—气分配混合器
AJS*型油气分流器
JS*型油气分流器
TCWXZ-G型油气卫星站
AVE型油气分配混合器
DMM*-YQ型双线油气分配混合器
电气控制部分
GDK02型电气控制箱
GDK03型电气控制箱
DEA-2L型电气控制箱
DEA-2E型电气控制箱
R1902型电气控制箱
R1904型电气控制箱
钢管用插入焊接式接头
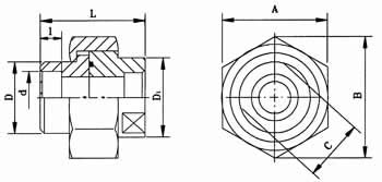
● 活接头
代号(订货号)
管子外径(D0)
d+0.4
+0.2
D
D1
L
I
A
B
C
“O”型密封圈
重量(kg)
对应号
ZY437.1.00
14
14.5
22
24
38
10
32
36.9
21
20×2.4
0.152
YF02.1
ZY437.2.00
18
185
27
30
38
10
41
47.3
26
30×3.1
0.262
TF02.2
ZY437.3.00
22
22.5
32
35
44
10
50
57.7
32
35×3.1
0.357
YF02.3
ZY437.4.00
28
28.5
38
42
50
13
60
69.3
38
40×3.1
0.686
YF02.4
ZY437.5.00
34
34.5
47
52
56
13
70
80.8
46
45×3.1
1.02
YF02.5
标记示例:活接头8 ZY437.1.00
● 高压法兰
代号(订货号)
管子外径(D0)
d+0.4
+0.2
e
A
B
C
D
“O”型密封圈
GB1235-76
重量(kg)
对应号
ZY438.3.00
34
34.5
14
80
53
28
13
35×3.1
2.53
YF03.1
ZY438.4.00
42
42.5
16
90
63
28
13
45×3.1
3.02
YF03.2
ZY438.5.00
48
48.5
18
100
70
36
18
55×3.1
4.09
YF03.3
ZY438.6.00
60
61
20
112
80
36
18
65×3.1
5.72
YF03.4
标记示例:高压法兰34 ZY438.3.00
● 终端法兰
代号(订货号)
管子外径(D0)
D
L1
L2
B
B1
“O”型密封圈
GB1235-76
d
重量(kg)
对应号
ZY624.1.00
34
34.5
80
53
28
14
35×3.1
14
2.89
YF04.1
ZY624.2.00
42
42.5
90
63
16
45×3.1
16
3.45
YF04.2
ZY624.3.00
48
48.5
100
70
36
18
55×3.1
18
5.78
YF04.3
ZY624.4.00
60
61
112
80
20
65×3.1
18
6.72
YF04.4
标记示例:终端法兰34 ZY624.1.00
<< 上一页
公司名称: 启东天驰润滑液压设备有限公司 公司地址: 江苏省启东市纬一路32号
润滑设备
联系电话: 0513-83352118 公司传真: 0513-83200438 E-mail: webmaster@qdtcrh.com