干油润滑部分
单线式集中润滑系统介绍
双线式集中润滑系统介绍
电动润滑泵
 
手(脚)动润滑泵
 
加油泵
 
气动泵
 
双线分配器
 
单线分配器
 
压力操纵、控制、换向阀及其附件
 
 稀油润滑部分
稀油集中润滑系统设计介绍
稀油润滑装置及稀油站
 
高(低)压稀油站
 
稀油润滑元件
 
 管件部分
 
 油气润滑部分
油气润滑系统设计介绍
油气润滑系统的形式
 
油气润滑系统产品
 
 电气控制部分
 
 
 
JPQS(D)型递进式分配器(16MPa)

一、概述
JPQ(D)型递进分配器由首块A,工作块M、尾块E 组成分配器组,工作块的件数可根据需要选择,最少三件,最多可达10 件,每件工作块有两个出油口,因此每一分配器组的出油口在6-20 个之间,也就是每一分配器组可供6-20 个润滑点,所需供油量的多少,可按型号规格表列数据选用。如果某润滑点在一次循环供油中需要供油量较大或特大,可采用图A3 的方法,取出工作块内部的封闭螺钉,并在出油口增加一个螺堵,使两个出油口的油量合并到一个出油口。
注意所合并的供油量是工作块排列中下一个工作块型号所规定的供油量(参看工作原理图)。如果合并两个出油口的供油量仍然满足不了需要,可采用图A4 的方法,增加三通或二通桥式接头,以汇集几个出油口的油量来满足需要。


二、技术参数  
型号
工作块代号
公称压力Mpa
给油量ml/次
进油口管子外径mm
出油口管子外径mm
重量kg
JPQS
M1
16
0.10
10:8
8:6
0.485
M1.5
0.15
M2
0.20
M2.5
0.25
M3
0.30
M4
0.40
KPQD
M1 M1.5
0.35 0.55
10
10:8
0.812
M2
0.75
M3
1.0
使用介质为锥入度250~350(25℃150g)1/10mm 的润滑脂。
 
三、型号说明
 
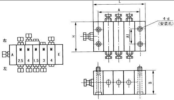
四、外形尺寸
    
型号
L
A
H
B
A1
螺钉d
JPQS
(工作块数+2)x20
(工作块数+1)x20
55
45
22
M5x50
JPQD
(工作块数+2)x25
(工作块数+1)x20
80
60
34
M6x65
说明:递进分配器的组合按进油口元件首块A、工作块M和尾块E、从左到右排列,在队列下方出口称为左,在队列上方出口称为右。如图
 
五、工作原理
A1、递进分配器
图A1,压力油由进油口进入分配器组,油由柱塞“Ⅰ”的左通道进入柱塞“Ⅱ”的左腔,将柱塞“Ⅱ”推向右侧,柱塞“Ⅱ”右腔的油经柱塞“Ⅰ”的右通道由出油口“1”输出,与此同时,柱塞“Ⅱ”的左通道接通,油进入柱塞“Ⅲ”的左腔,柱塞“Ⅲ”被推至右侧,右腔的油经柱塞“Ⅱ”的右通道由出油口“2”输出。此时柱塞“Ⅲ”的左通道接通,油进入柱塞“Ⅰ”的右腔(参看图A1)将柱塞“Ⅰ”推至左侧,柱塞“Ⅰ”左腔的油通过柱塞“Ⅲ”的右通道,由出油口“3”输出。
图A2,按上例输油线路,当柱塞“Ⅱ”“Ⅲ”推至左侧时,柱塞“Ⅱ”“Ⅲ”左腔的油通过柱塞“Ⅰ”“Ⅱ”的左通道由出油口“4”“5”输出,同时柱塞“Ⅲ”的右通道接通,油经右通道进入柱塞“Ⅰ”的左腔,将柱塞“Ⅰ”推至右侧,右腔的油经柱塞“Ⅲ”的左通道,由出油口“6”输出。
A2、根据以上输油步骤,完成一次供油的循环,每一个出油口按顺序定量输油,周而复始。
A3、递进分配器在使用时,可以施行监控,用户如果需要监控,可在标记后注明带触杆(或带监控器)。
 
六、订货须知
  递进分配器在使用时,可以施行监控,用户如果需要监控,可在标记后注明带触杆(或带监控器)。
 
公司名称: 启东天驰润滑液压设备有限公司 公司地址: 江苏省启东市纬一路32号 润滑设备
联系电话: 0513-83352118 公司传真: 0513-83200438 E-mail: webmaster@qdtcrh.com