干油润滑部分
单线式集中润滑系统介绍
双线式集中润滑系统介绍
电动润滑泵
 
手(脚)动润滑泵
 
加油泵
 
气动泵
 
双线分配器
 
单线分配器
 
压力操纵、控制、换向阀及其附件
 
 稀油润滑部分
稀油集中润滑系统设计介绍
稀油润滑装置及稀油站
 
高(低)压稀油站
 
稀油润滑元件
 
 管件部分
 
 油气润滑部分
油气润滑系统设计介绍
油气润滑系统的形式
 
油气润滑系统产品
 
 电气控制部分
 
 
 
VW系列双线分配器(20MPa)

一、使用条件
VW系列分配器适用于公称压力为20MPa双线式干油集中润滑系统中。它在两条供油主管交替的供油压力作用下,直接由供油的压力控制活塞动作给油,完成向润滑点定量分配润滑脂的功能。
该型双线分配器上、下面均设有出油口,分配器活塞正反向动作,分别从上面和下面的出油口排出润滑剂。还可以从指示杆的动作直接观察分配器的工作情况,同时还可通过调整螺钉在规定的范围内方便地调整各个出油口的出油量。


二、技术参数  
型 号
公称压力MPa
动作压力MPa
给油mL/循环
调整螺钉每转一圈调整量ml
VW-10
20
≤1.5
0.03-0.3
0.03
VW-30
≤1.2
0.2-1.2
0.07
VW-50
≤1.0
0.6-5.0
0.14
适用介质为锥入度不低于265(25℃,150g)1/10mm润滑脂(NLGI0#~1#)或粘度等级大于N68的润滑油;使用环境温度为-10℃~80℃,使用介质为润滑油时,可在10MPa 压力下使用。
 
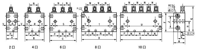
三、外形尺寸
型号
A
B
C
D
E
F
G
H
J
K
L
M
N
P
Q
R
S
T
U
V
X
Y
VW-10
38
63
88
113
/
60
88
33
38
39
26.5
46
25
19
22
47
72
97
/
8
Rc1/8
7
VW-30
48
80
112
144
176
60
101
33
38
39
26.5
46
32
24
27
59
91
123
155
10.5
VW-50
50
87
124
161
/
79
135.5
50.5
57
48
30
57
37
25
29
66
103
140
/
10.5
Rc1/4
9
 
四、使用说明
1、必须在规定的环境下使用规定的介质。
2、在灰尘大、潮湿、环境恶劣的场合下使用,应配防护罩。
3、给油量的调整应在指示杆缩回去的状态下进行,调整完毕后将锁紧螺丝拧紧。
4、在分配器上下对应出油口间设有合二为一的出油结构,易改奇数出油,使用时只需将孔内的螺钉拧出,把上或下不用的那个出口用R1/4 螺塞封堵即可。
5、与分配器接触的面应光滑平整,安装螺栓不宜拧得过紧,以免影响正常动作。
 
五、型号说明
 
六、订货须知
分配器使用环境温度在-10℃~+80℃以外的必须在订货合同中注明,以便供货时使用耐低、高温油封。
 
公司名称: 启东天驰润滑液压设备有限公司 公司地址: 江苏省启东市纬一路32号 润滑设备
联系电话: 0513-83352118 公司传真: 0513-83200438 E-mail: webmaster@qdtcrh.com