干油润滑部分
单线式集中润滑系统介绍
双线式集中润滑系统介绍
电动润滑泵
 
手(脚)动润滑泵
 
加油泵
 
气动泵
 
双线分配器
 
单线分配器
 
压力操纵、控制、换向阀及其附件
 
 稀油润滑部分
稀油集中润滑系统设计介绍
稀油润滑装置及稀油站
 
高(低)压稀油站
 
稀油润滑元件
 
 管件部分
 
 油气润滑部分
油气润滑系统设计介绍
油气润滑系统的形式
 
油气润滑系统产品
 
 电气控制部分
 
 
 
VSL-KR系列双线分配器(40MPa)

一、使用条件
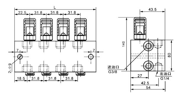
VSL-KR型双线分配器上下面均有给油口,分配器活塞正反向动作时分别从上面和下面的给油口排出润滑脂;在相应上、下给油口内设有合二为一的排油结构,要改变奇数出油,只需将孔内的螺钉拧出即可。还可以从指示杆的动作直接观察分配器的工作情况,同时还可以通过调整螺钉在规定范围内调整各出油口的给油量。
该型分配器适用于公称压力为40MPa的双线式干油集中润滑系统中,在两条供油主管交替的供油压力作用下,直接由供油压力控制活塞动作给油,完成向润滑点定量分配润滑脂的功能。

二、技术参数  
型 号
公称压力MPa
动作压力Mpa
额定给油mL/循环
调整螺钉每转一圈调整量ml
VSL※-KR
40
≤1.0
0-5
0.15
使用介质为锥入度不低于265(25℃,150g)1/10mm的润滑脂(NLGI0#~2#)或粘度等级大于N68的润滑油;使用环境温度为-10~80℃;使用介质为润滑油时,请在20MPa压力下使用。
 
三、型号说明
 
四、外形尺寸
型号
VSL-KR
VSL4-KR
VSL6-KR
VSL8-KR
出油口数
2
4
6
8
L(mm)
44.5
76
108
140
 
五、使用说明
若需相应上下出口合并时,只需将上出油孔内的压紧螺塞用6mm内六角扳手拧出,取出分油套通孔向下装入,再拧紧压紧螺塞,此时上出口用G1/4螺塞封堵以防灰尘侵入。
 
六、订货须知
分配器安装使用环境温度在-10~80℃以外的必须在订货合同中注明,以便供货时提供耐低、高温油封。
  
公司名称: 启东天驰润滑液压设备有限公司 公司地址: 江苏省启东市纬一路32号 润滑设备
联系电话: 0513-83352118 公司传真: 0513-83200438 E-mail: webmaster@qdtcrh.com