干油润滑部分
单线式集中润滑系统介绍
双线式集中润滑系统介绍
电动润滑泵
 
手(脚)动润滑泵
 
加油泵
 
气动泵
 
双线分配器
 
单线分配器
 
压力操纵、控制、换向阀及其附件
 
 稀油润滑部分
稀油集中润滑系统设计介绍
稀油润滑装置及稀油站
 
高(低)压稀油站
 
稀油润滑元件
 
 管件部分
 
 油气润滑部分
油气润滑系统设计介绍
油气润滑系统的形式
 
油气润滑系统产品
 
 电气控制部分
 
 
 
电动润滑泵及装置(TB-Ⅰ、Ⅱ型,40MPa)

一、使用条件
  TB-Ⅰ、Ⅱ型电动润滑泵适用于润滑频率高、配管长、润滑点多的单、双线平油集中润滑系统。该型润滑泵采用双泵结构,从而供油量特大,且运动平稳,工作压力可在公称压力范围内任意调整,有双重过载保护。贮油桶具有油位自动报警装置,润滑泵若配备电控箱能实现集中润滑系统全自动控制,并对并对系统实现监控。
  该润滑泵有下列几种供货方式:
  (1)、单台润滑泵。
  (2)、配二位四通换向阀或液压换向阀带公用底板式,用于双线集中润滑系统。
  (3)、带小车式,并配有胶管、油枪,用于不便于集中润滑的单机设备。
  (4)、双泵固定式,由电动润滑泵、换向阀管路组成,一用一备,两只泵可自动切换。

二、技术参数

型 号
公称压力MPa
额定流量mL/min
贮油器容积L
电机
重 量kg
功率kW
电压V
TB-Ⅰ-1
40
430
60、100
1.5
380
308
TB-Ⅱ-1
220
TB-Ⅰ-2
800
308
TB-Ⅱ-2
220


三、型号说明
 
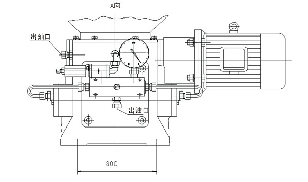
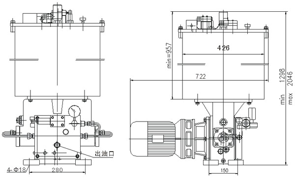
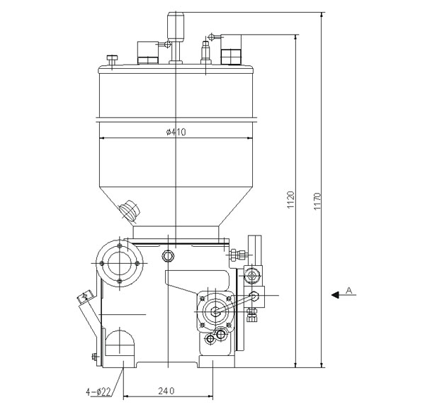
四、外形尺寸
 
 
 
   
公司名称: 启东天驰润滑液压设备有限公司 公司地址: 江苏省启东市纬一路32号 润滑设备
联系电话: 0513-83352118 公司传真: 0513-83200438 E-mail: webmaster@qdtcrh.com